Bertollo Impianti

Bertollo Impianti
Contact us for price
Location:Italy
or
Call +39 392 9251561
Description
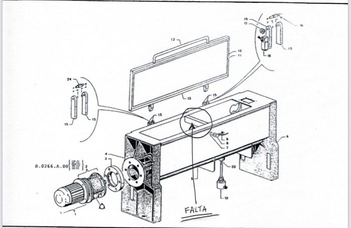
Mixing tank group
mm 450
Specifications
| Manufacturer | Bertollo Impianti |
| Condition | Refurbished |




Location:Italy
Mixing tank group
mm 450
| Manufacturer | Bertollo Impianti |
| Condition | Refurbished |